1
/
of
1
Electronic Service Manuals
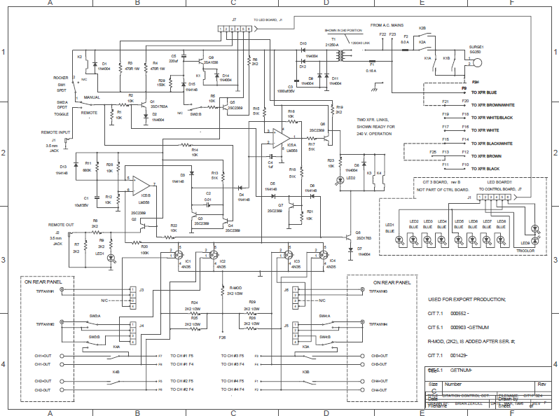
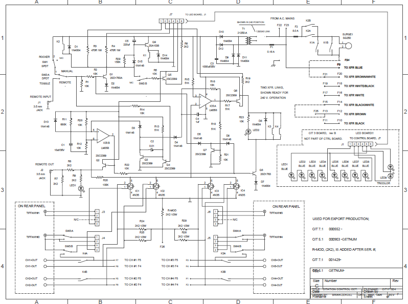
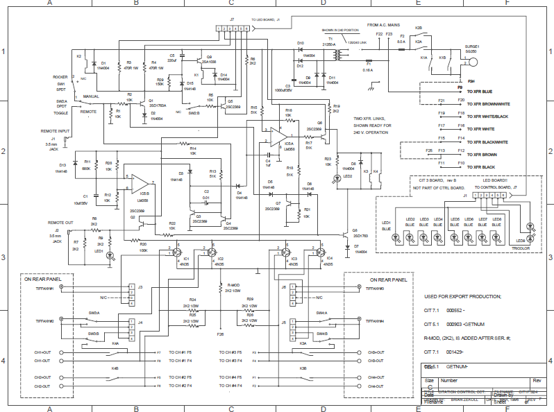
Harman Kardon Citation 7.1 Schematics
Harman Kardon Citation 7.1 Schematics
Regular price
$5.00 USD
Regular price
Sale price
$5.00 USD
Taxes included.
Quantity
Couldn't load pickup availability
Harman Kardon Citation 7.1 Schematics
(PDF DOWNLOAD)
(PDF DOWNLOAD)
Share
