1
/
of
1
Electronic Service Manuals
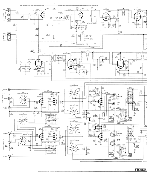
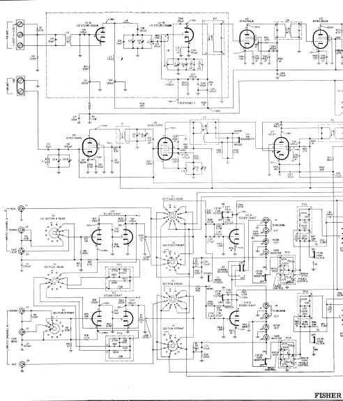
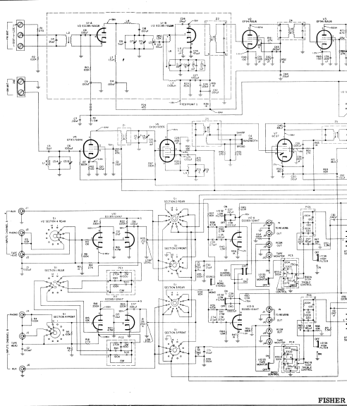
FISHER Model 800-B AM-FM Stereo receiver Schematics
FISHER Model 800-B AM-FM Stereo receiver Schematics
Regular price
$3.00 USD
Regular price
Sale price
$3.00 USD
Taxes included.
Quantity
Couldn't load pickup availability
FISHER Model 800-B AM-FM Stereo receiver Schematics
(PDF DOWNLOAD)
Share
