1
/
of
1
Electronic Service Manuals
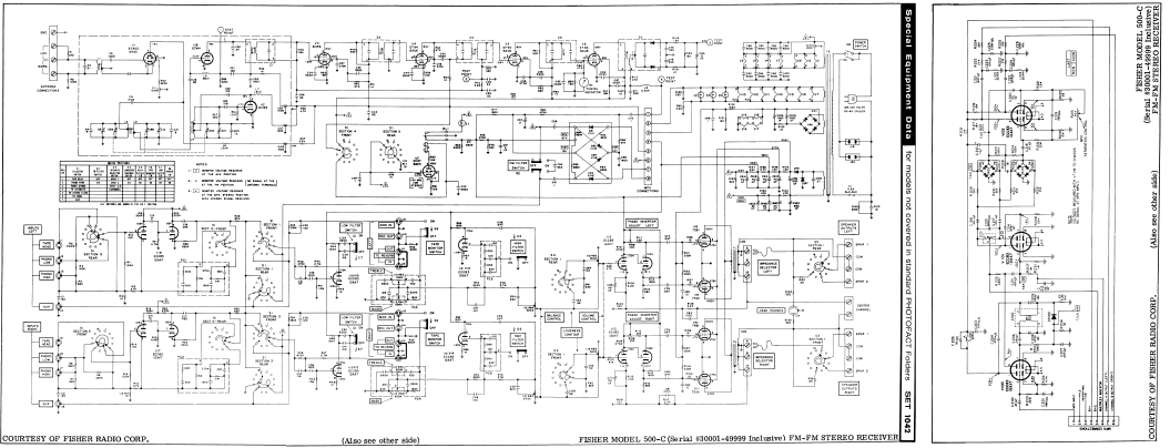
FISHER Model 500-C FM Stereo Receiver Schematic
FISHER Model 500-C FM Stereo Receiver Schematic
Regular price
$3.00 USD
Regular price
Sale price
$3.00 USD
Taxes included.
Quantity
Couldn't load pickup availability
FISHER Model 500-C FM Stereo Receiver Schematic
(PDF DOWNLOAD)
Share
