1
/
of
2
Electronic Service Manuals
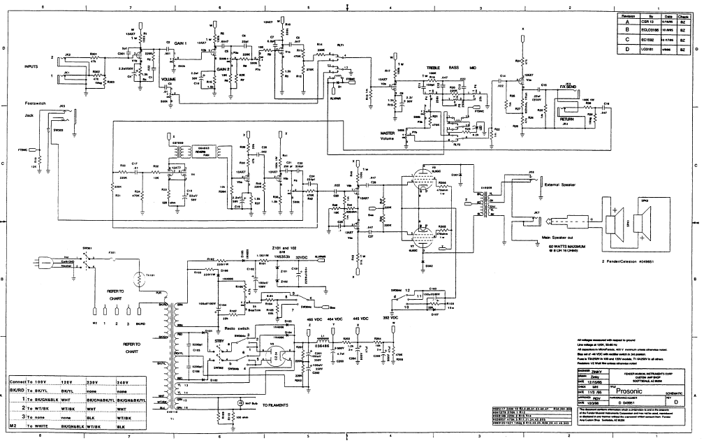
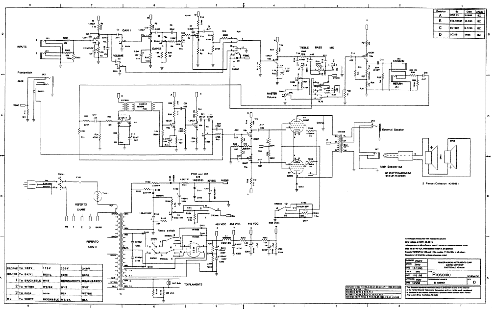
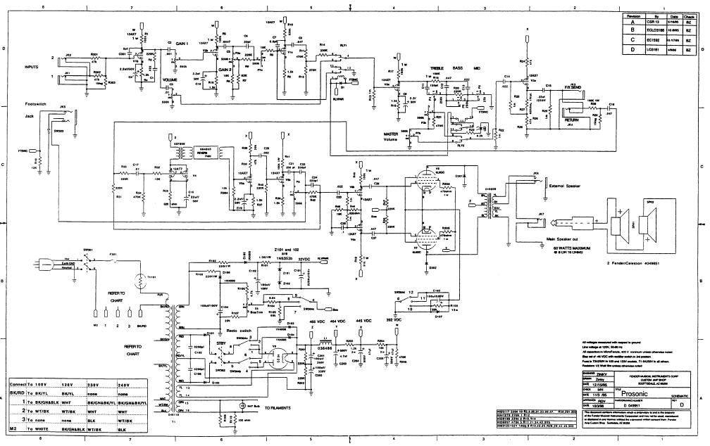
FENDER Prosonic Schematic
FENDER Prosonic Schematic
Regular price
$3.00 USD
Regular price
Sale price
$3.00 USD
Taxes included.
Quantity
Couldn't load pickup availability
FENDER Prosonic Schematic
(PDF DOWNLOAD)
Share
