1
/
of
1
Electronic Service Manuals
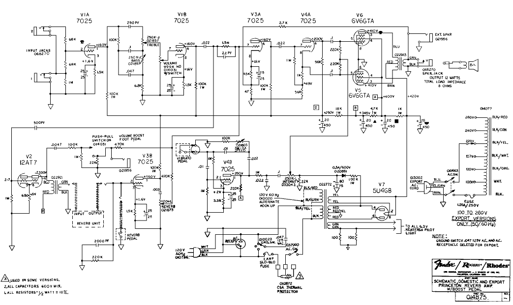
FENDER Princeton Reverb Amp W/boost Pedal Schematic
FENDER Princeton Reverb Amp W/boost Pedal Schematic
Regular price
$3.00 USD
Regular price
Sale price
$3.00 USD
Taxes included.
Quantity
Couldn't load pickup availability
FENDER Princeton Reverb Amp W/boost Pedal Schematic
(PDF DOWNLOAD)
Share
