1
/
of
1
Electronic Service Manuals
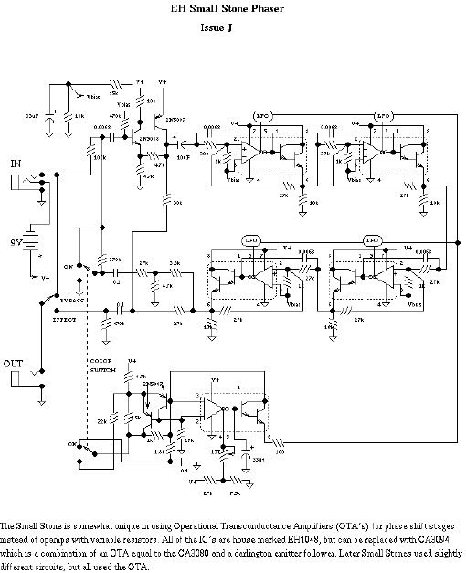
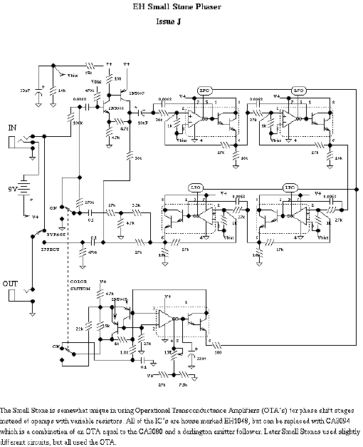
Electro Hamonix Small stone Phaser J Schematic
Electro Hamonix Small stone Phaser J Schematic
Regular price
$3.00 USD
Regular price
Sale price
$3.00 USD
Taxes included.
Quantity
Couldn't load pickup availability
Electro Hamonix Small stone Phaser J Schematic
(PDF DOWNLOAD)
Share
