1
/
of
1
Electronic Service Manuals
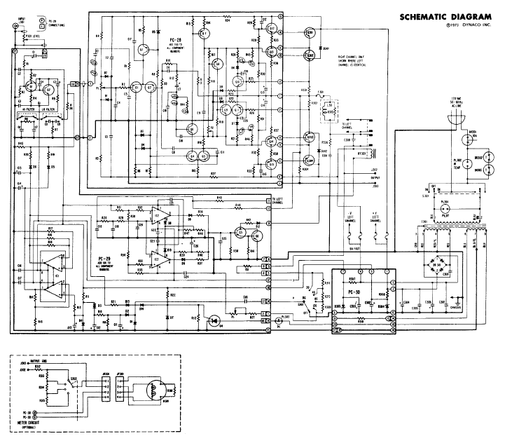
Dynaco ST-400 Power Amplifier Schematic
Dynaco ST-400 Power Amplifier Schematic
Regular price
$3.00 USD
Regular price
Sale price
$3.00 USD
Taxes included.
Quantity
Couldn't load pickup availability
Dynaco ST-400 Power Amplifier Schematic
(PDF DOWNLOAD)
Share
