1
/
of
1
Electronic Service Manuals
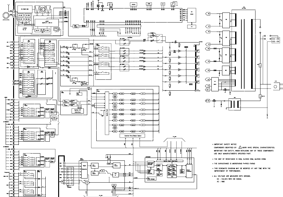
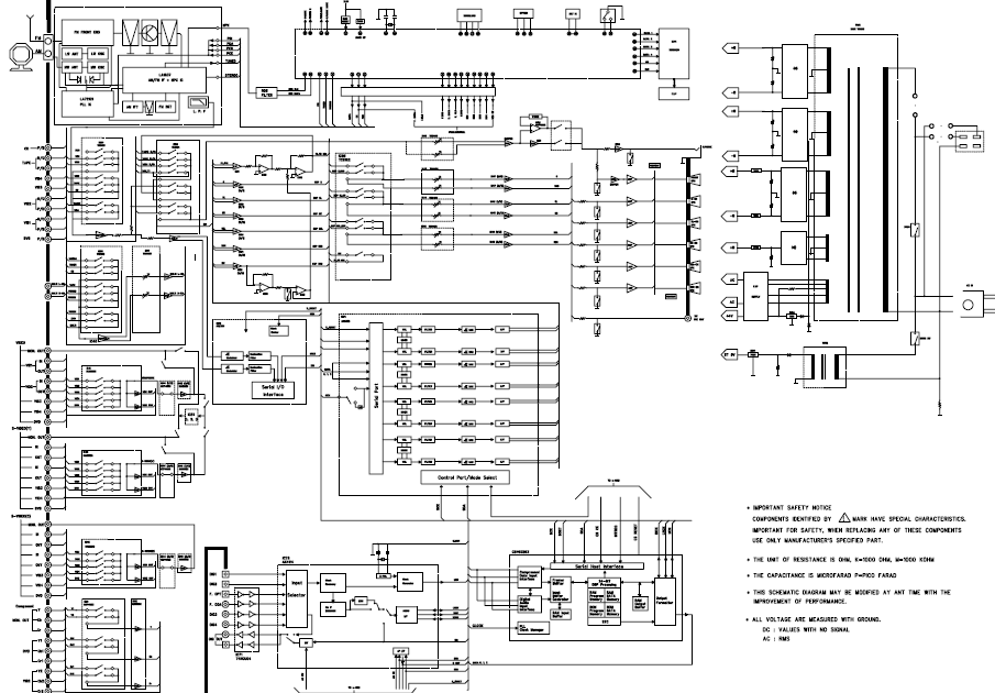
DENON AVR-230 Component System Schematics
DENON AVR-230 Component System Schematics
Regular price
$5.00 USD
Regular price
Sale price
$5.00 USD
Taxes included.
Quantity
Couldn't load pickup availability
DENON AVR-230 Component System Schematics
(PDF DOWNLOAD)
Share
