1
/
of
1
Electronic Service Manuals
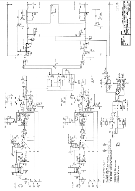
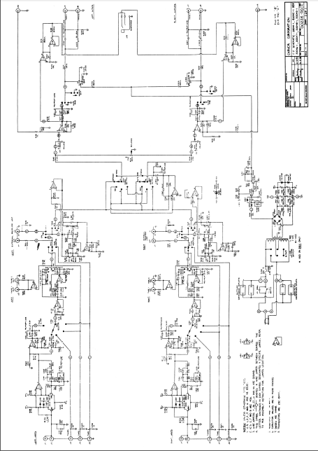
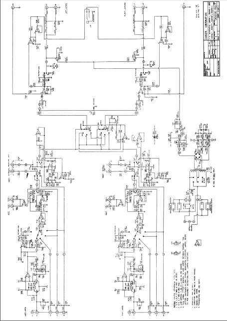
CARVER C-2 Schematic
CARVER C-2 Schematic
Regular price
$3.00 USD
Regular price
Sale price
$3.00 USD
Taxes included.
Quantity
Couldn't load pickup availability
CARVER C-2 Schematic
(PDF DOWNLOAD)
Share
