1
/
of
1
Electronic Service Manuals
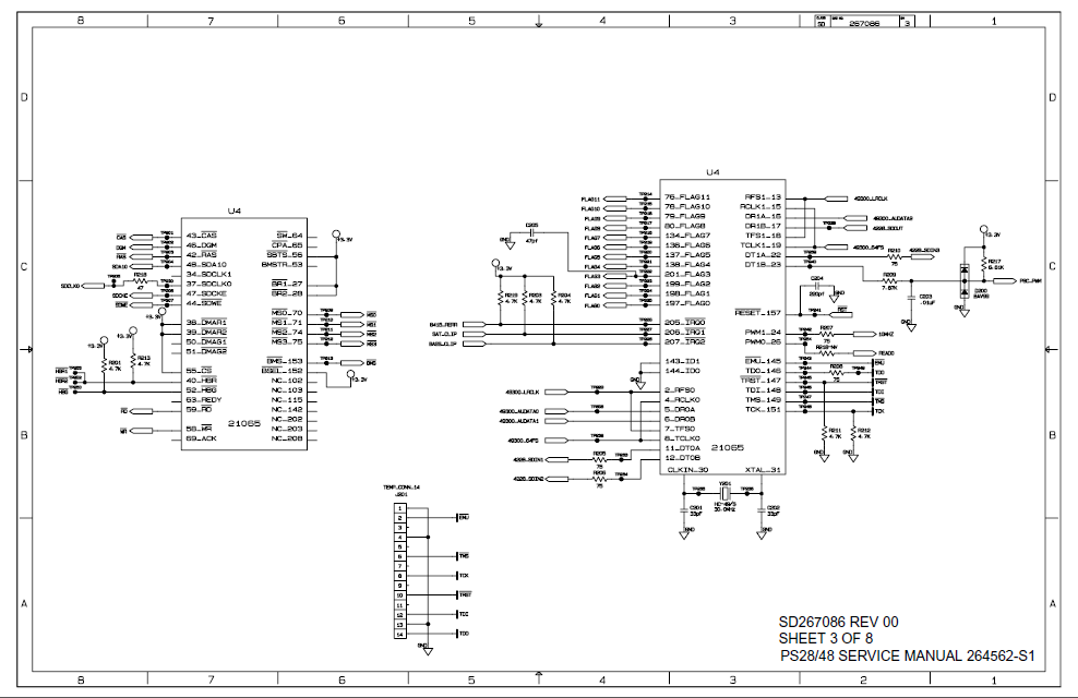
BOSE SD267086 Sheet3 Bass Module Schematic
BOSE SD267086 Sheet3 Bass Module Schematic
Regular price
$3.00 USD
Regular price
Sale price
$3.00 USD
Taxes included.
Quantity
Couldn't load pickup availability
BOSE SD267086 Sheet3 Bass Module Schematic
Models: PS28/48
(PDF DOWNLOAD)
Share
