1
/
of
1
Electronic Service Manuals
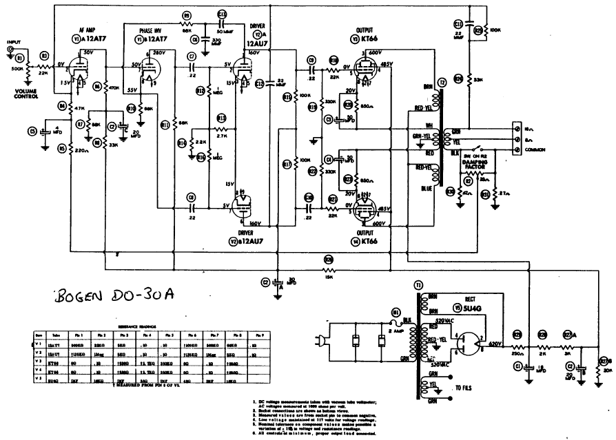
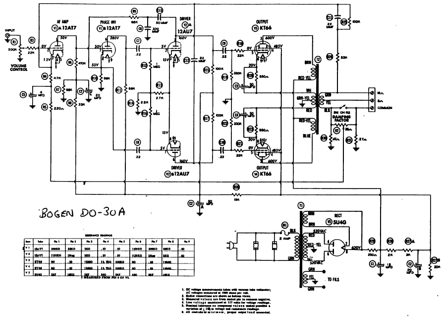
BOGEN DO-30A Schematic
BOGEN DO-30A Schematic
Regular price
$3.00 USD
Regular price
Sale price
$3.00 USD
Taxes included.
Quantity
Couldn't load pickup availability
BOGEN DO-30A Schematic
(PDF DOWNLOAD)
Share
