Skip to product information
1 of 1

Electronic Service Manuals

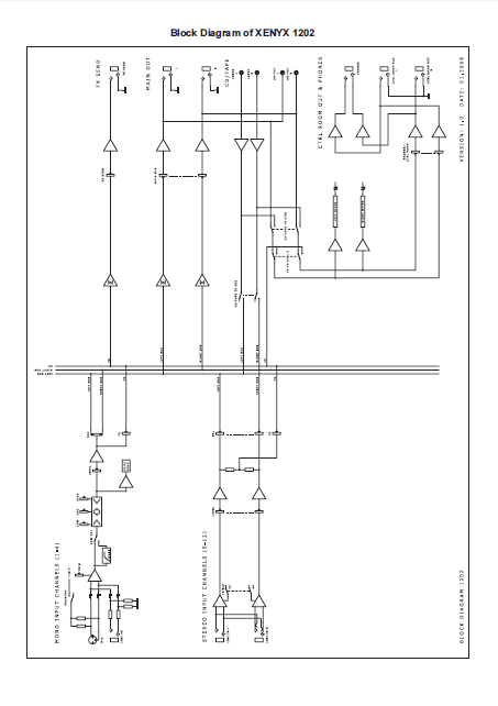
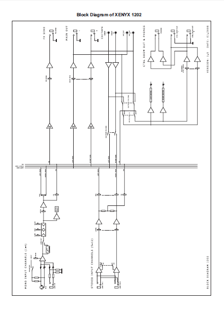
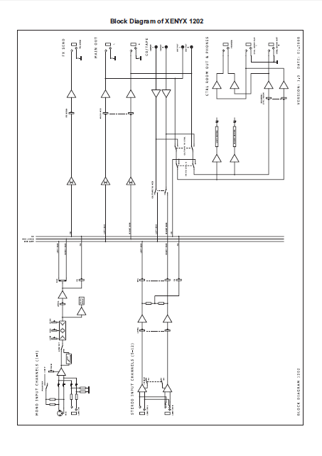
BEHRINGER XENYX 1202 rev A Schematics

BEHRINGER XENYX 1202 rev A Schematics

Regular price $3.00 USD
Regular price Sale price $3.00 USD
Sale Sold out
Taxes included.
Quantity

BEHRINGER XENYX 1202 rev A Schematics

 

(PDF DOWNLOAD)

View full details