1
/
of
1
Electronic Service Manuals
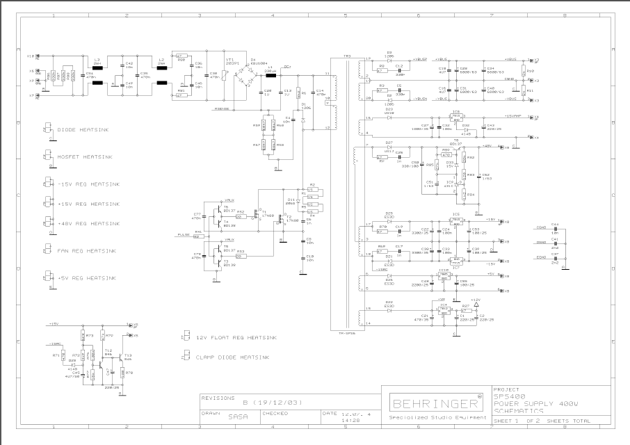
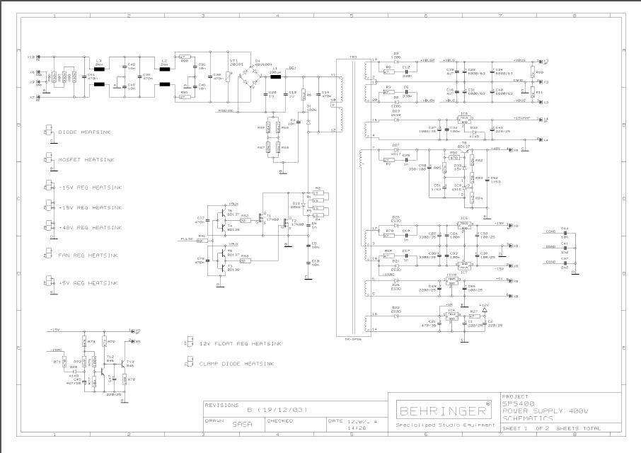
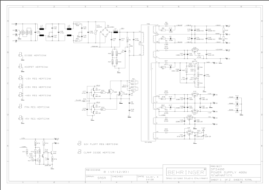
BEHRINGER Power Supply SPS400 rev B Schematics
BEHRINGER Power Supply SPS400 rev B Schematics
Regular price
$3.00 USD
Regular price
Sale price
$3.00 USD
Taxes included.
Quantity
Couldn't load pickup availability
BEHRINGER Power Supply SPS400 rev B Schematics
(PDF DOWNLOAD)
Share
