Electronic Service Manuals
Sign in
or
Create an Account
Search
Cart
0
Search
Home
Brands
CAN'T FIND WHAT YOU NEED?
Sign in
Create an Account
Menu
Cart
0
Home
›
Audio TO Clearcom-CARVIN - 80-42500E 11 AUG06 Service Manual
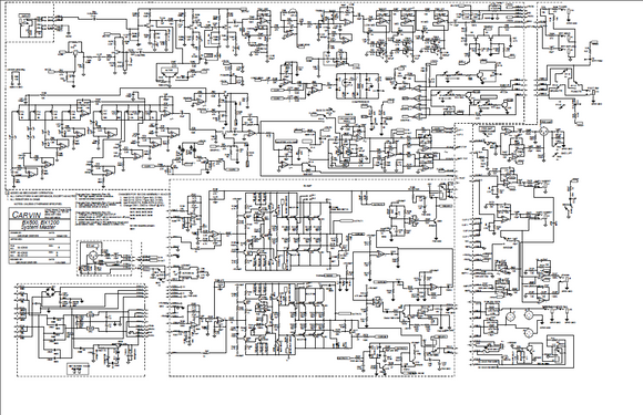
Audio TO Clearcom-CARVIN - 80-42500E 11 AUG06 Service Manual
$12
00
$12.00
Default Title - $12.00 USD
Add to Cart
Audio TO Clearcom-CARVIN - 80-42500E 11 AUG06 Service Manual
(PDF DOWNLOAD)
Share
Share on Facebook
Tweet
Tweet on Twitter
Pin it
Pin on Pinterest