1
/
of
1
Electronic Service Manuals
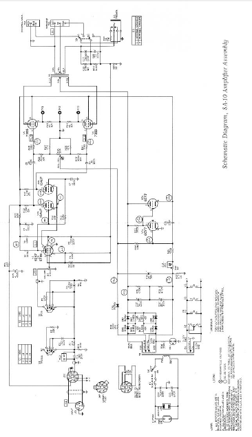
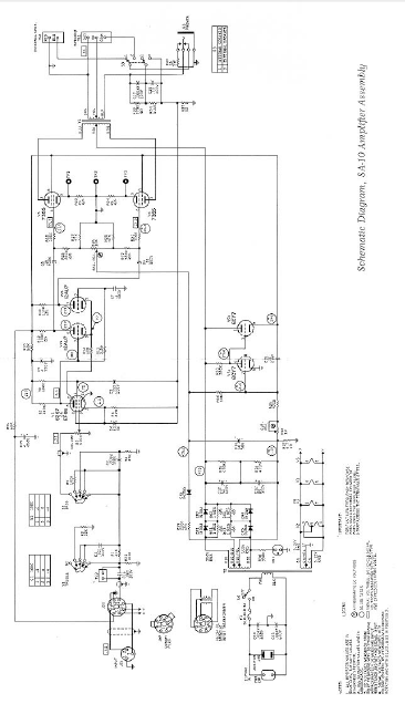
AMPEX SA-10 Amplifier Assembly Schematics
AMPEX SA-10 Amplifier Assembly Schematics
Regular price
$5.00 USD
Regular price
Sale price
$5.00 USD
Taxes included.
Quantity
Couldn't load pickup availability
AMPEX SA-10 Amplifier Assembly Schematics
(PDF DOWNLOAD)
Share
