1
/
of
1
Electronic Service Manuals
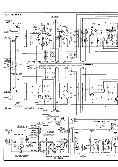
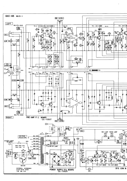
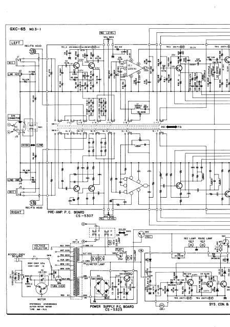
AKAI GXC-65D Stereo Tape Recorder Schematics
AKAI GXC-65D Stereo Tape Recorder Schematics
Regular price
$5.00 USD
Regular price
Sale price
$5.00 USD
Taxes included.
Quantity
Couldn't load pickup availability
AKAI GXC-65D Stereo Tape Recorder Schematics
(PDF DOWNLOAD)
Share
