1
/
of
1
Electronic Service Manuals
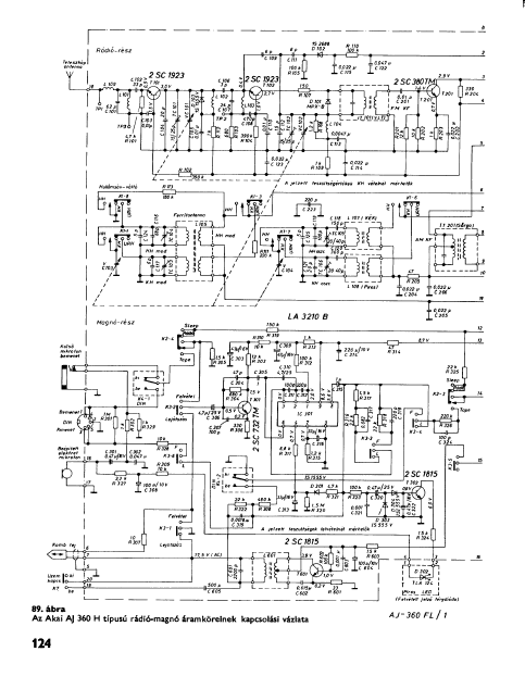
AKAI AJ-360 H Schematics
AKAI AJ-360 H Schematics
Regular price
$3.00 USD
Regular price
Sale price
$3.00 USD
Taxes included.
Quantity
Couldn't load pickup availability
AKAI AJ-360 H Schematics
(PDF DOWNLOAD)
Share
