1
/
of
1
Electronic Service Manuals
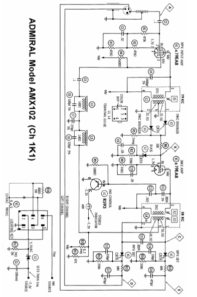
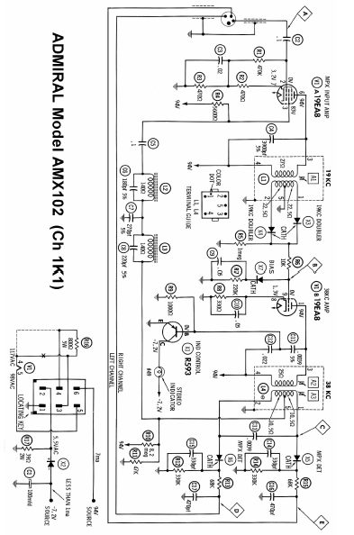
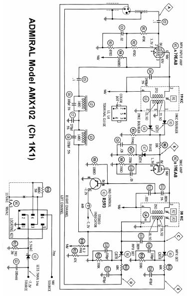
Admiral AMX102 FM Stereo Multiplex Schematics
Admiral AMX102 FM Stereo Multiplex Schematics
Regular price
$3.00 USD
Regular price
Sale price
$3.00 USD
Taxes included.
Quantity
Couldn't load pickup availability
Admiral AMX102 FM Stereo Multiplex Schematics
(PDF DOWNLOAD)
Share
