1
/
of
1
Electronic Service Manuals
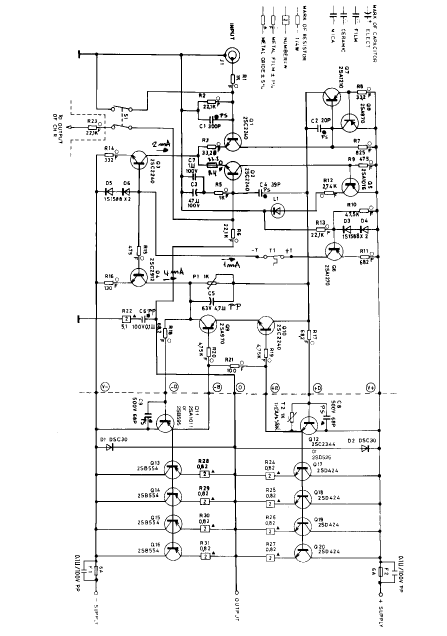
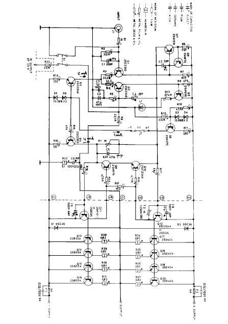
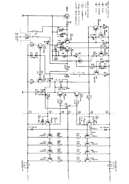
Adcom 555 Schematics
Adcom 555 Schematics
Regular price
$3.00 USD
Regular price
Sale price
$3.00 USD
Taxes included.
Quantity
Couldn't load pickup availability
Adcom 555 Schematics
(PDF DOWNLOAD)
Share
