1
/
of
1
Electronic Service Manuals
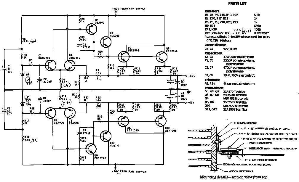
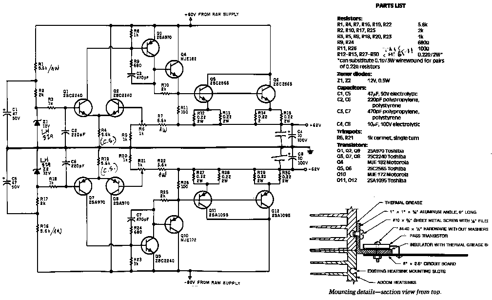
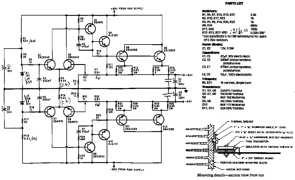
ADCOM 555 Parts List with Schematics
ADCOM 555 Parts List with Schematics
Regular price
$5.00 USD
Regular price
Sale price
$5.00 USD
Taxes included.
Quantity
Couldn't load pickup availability
ADCOM 555 Parts List with Schematics
(PDF DOWNLOAD)
Share
